Вы находитесь здесь: КАББАЛА / Библиотека / Йегуда Ашлаг (Бааль Сулам) / Введение в науку Каббала (Птиха) / Введение в Каббалу (Птиха) – видео-аудиозаписи, фрагменты, тексты уроков / Статья "Введение в науку Каббала" – серия уроков 16 сентября 2003 г. - 8 февраля 2004 г. / Статья "Введение в науку Каббала" – урок 26, 4 января 2004 г.

Статья "Введение в науку Каббала" – урок 26, 4 января 2004 г.

Параграфы 60-64
Урок 123 Курса Виртуального Обучения 2002-2004 гг.

60) Цимцум Бет называется также Цимцум НЕХИМ дэ-АК…

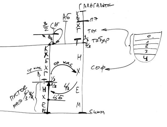
Мы говорили о том, что всю Малхут дэ-Эйн Соф мы себе представляем в виде одного парцуфа – Гальгальта, под ней – АБ, САГ. В Малхут дэ-Эйн Соф есть Шореш, Алеф, Бет, Гимэл, Далет – четыре стадии авиюта. Стадии авиюта 0, 1, 2, 3 находятся в Тох Гальгальты, и в Соф Гальгальты находится Малхут.

И эту Малхут, от Табура до Сиюма, нам надо исправить, то есть придать ей экран, чтобы она получила свет ради Творца. Тогда вся Малхут, от Пэ до Сиюма, будет находиться в полном слиянии с Творцом, то есть все мироздание поднимется на уровень Творца.

Все парцуфим – Гальгальта, АБ, САГ, МА и БОН, которые относятся к миру АК, заполняют только девять первых сфирот, или 0, 1, 2, 3 стадии Малхут мира Бесконечности. Самая большая проблема – это заполнить четвертую стадию, в которой есть настоящие желания получать и наслаждаться, в соответствии с которыми она и ощущает стыд, и поэтому делает на себя Цимцум. И теперь, после Цимцума, она остается пустой. Создать на нее экран невозможно.

Для того чтобы все-таки каким-то образом создать на нее экран, после того как САГ, который представляет собой решимот 3/2, начинает выходить из своего состояния от «битуш пним у макиф», то здесь возникают решимот 2/2. Эти решимот 2/2 спускаются под Табур, и этот парцуф называется Некудот дэ-САГ (любое исторжение света из кли называется некудот).

И здесь есть Кэтэр, Хохма, Бина, Хэсэд, Гвура, Тифэрэт, Нэцах, Ход, Есод, Малхут, десять сфирот. Почему десять, ведь сюда спускается всего лишь часть света, который выходит из парцуфа? Потому что свет, который приходит, для того чтобы заполнить какое-то новое состояние, сделать какую-то новую работу, сыграть новую роль, тоже можно делить на десять сфирот. Мы всегда можем практически произвольно выделить любую часть и разделить ее на десять. Иначе и быть не может: если она самостоятельная, в ней обязательно должен быть тот же стандарт, та же форма, в соответствии с пятью стадиями света.

В Гальгальте над Табуром есть Кэтэр, Хохма, Бина, Хэсэд, Гвура, Тифэрэт (1/3 Тифэрэт находится над Табуром, 2/3 – под Табуром), под Табуром также находятся Нэцах, Ход, Есод, Малхут.

ЦБ называется также Цимцум НЕХИМ дэ-АК (если разделить Гальгальту на десять сфирот, то получится, что Рош – это КАХАБ, Тох – это ХАГАТ, и Соф – НЕХИМ), потому что Некудот дэ-САГ, которые заканчиваются там, где и парцуф Гальгальта, то есть выше точки нашего мира, сейчас, при подъеме Малхут в Бину и совместном их действии, оканчиваются под Табуром Гальгальты, в Тифэрэт Гальгальты, куда поднялась Малхут, ограничивающая распространение света.

А под Малхут образовалось пустое пространство абсолютно без света, в месте эгоистических желаний НЕХИМ дэ-САГ.

Что хочет сказать Бааль Сулам? Оттого, что под Табур спустился Ор Хасадим и наполнил желания Гальгальты, соответственно, от Гальгальты сюда пришло ее желание 4/3. В принципе, это желание 4/4, потому что 4/3 – это просто масах, который «издахех» («издахехут» – утоньшение). Однако это не важно, мы говорим о нем, как о 4/3. Когда это эгоистическое желание, то есть желание получать, наслаждаться светом, пришло сюда и подействовало на Некудот дэ-САГ, то, естественно, оно подействовало здесь только на те свойства, которые, в свою очередь, желали насладиться, получать свет.

Рис. 1

Эти свойства находятся с половины Тифэрэт и ниже, Некудот дэ-САГ. Поэтому вместо желания 2/2 здесь образовалось желание 4/3. А экран – всего лишь экран Бины, поэтому Малхут, ограничивающая распространение света, поднимается в место, где начинаются те келим, которые получают дополнительное эгоистическое желание, и прерывает поступление света в эти желания.

Причем, этот свет – Ор Хасадим. Почему же она прерывает его, и почему здесь остается пустое место? Потому что нет никакого различия между тем, какое место и какой свет есть: Ор Хасадим или Ор Хохма. К кли приходит просто свет, и в зависимости от своих свойств, от своего авиюта, кли выделяет из этого света определенные его качества. На самом деле этих качеств в свете нет, только кли ощущает таким образом.

Если это кли, желающее получать, то оно ощущает этот свет как Ор Хохма, свет наслаждения от получения. Если это кли, желающее отдавать, то оно ощущает этот свет как возможность отдачи, и тогда он называет Хасадим, а не Хохма. Но свет сам по себе не имеет никакого названия – ни НАРАНХАЙ, ни Хохма, ни Хасадим.

И поэтому, как только возникает эгоистическое желание, сразу же Ор Хасадим, который здесь находится, обязан отсюда уйти. Он обязан выйти, потому что если есть желание наслаждаться, эгоистическое, то как наслаждается от получения, так же будет наслаждаться и от отдачи, то есть: «Я тебе немножко отдам, зато больше оторву от тебя».

То есть и Ор Хохма и Ор Хасадим обязаны выйти из эгоистического кли. Поэтому Бааль Сулам говорит: Под Малхут образовалось пустое пространство абсолютно без света, в месте эгоистических желаний НЕХИМ дэ-САГ.

Когда говорят дэ-САГ, надо понимать, что при этом имеется в виду Некудот дэ-САГ. То есть САГ – это не только парцуф над Табуром, но и этот парцуф Некудот дэ-САГ также входит в САГ.

Рис. 2

Рассматривая САГ, как обозначение АВАЯ – юд, кей, вав, кей, мы увидим, что в юд САГа есть Ор Хохма, потому что пишется юд, затем в кей тоже есть Ор Хохма (пишется с юд). А вав пишется – вав, аин, вав, где аин – это обозначение ЦБ. А последняя буква кей пишется снова – кей и юд. Откуда в последнем кей может быть юд, если в эту АВАЯ САГа входит свет? Это потому, что эта кей уже говорит о «швире» (разбиение сосудов).

То есть эта АВАЯ дэ-САГ говорит обо всем. Она говорит о том, что в 3/2, в Таамим дэ-САГ, существует Ор Хохма. Ор Хохма существует до окончания всех Таамим, еще в «битуш пним у макиф». Ор Хасадим существует в Некудот дэ-САГ, а также в Олам Некудим, который затем появится здесь (в вав), он тоже относится к САГу. Затем в Олам Некудим (последняя кей) произойдет швира, и от него останутся только осколки, из которых создадутся миры АБЕА.

Весь отрезок от АБ до мира Ацилут, все, что мы сейчас будем изучать, и где произойдет очень много всевозможных действий – все это относится к САГу, АВАЯ дэ-САГ. Поэтому Бааль Сулам все время пишет: НЕХИ дэ-Саг или дэ-САГ. На самом деле всегда надо различать, к чему это относится: к Некудот дэ-САГ, или даже к Олам Некудим, к катнуту, или к гадлуту и так далее, потому что все это входит в САГ. САГ – это Бина. Бина берет на себя все действие, связанное с исправлением Малхут, – она нисходит вниз, она дает Малхут все свои свойства и поднимает Малхут к себе.

А под Малхут образовалось пустое пространство абсолютно без света, в месте эгоистических желаний НЕХИМ дэ-САГ, которые сократились и опустошились от света. АХАП дэ-Рош дэ-САГ отделился от ГЭ и начал играть роль Гуф. Десять сфирот дэ-Рош поднялись от Никвэй Эйнаим (граница между ГАР и ЗАТ), а ниже образовался Гуф, который может получить только небольшое свечение, идущее от головы.

Поскольку мы изучаем очень краткий курс науки Каббала, то в одном предложении здесь собрано очень много информации. Давайте его распутаем, чтобы понять то, что хотел сказать Бааль Сулам.

Он говорит, что так же, как произошло сокращение в ЦБ, оно произойдет потом и в других местах. Рассмотрим парцуф, в котором есть Рош, Тох, Соф (Кэтэр, Хохма, Бина, ЗА, Малхут – Рош; Кэтэр, Хохма, Бина, ЗА, Малхут – Тох; Кэтэр, Хохма, Бина, ЗА, Малхут – Соф), Пэ, Табур, Сиюм.

Если есть экран на все виды желаний (не важно, на какой авиют, главное – на все виды желаний), допустим, нулевой авиют в экране, то я использую нулевой авиют со всеми пятью желаниями (в Рош) и, сколько могу, получаю в Тох, а Соф остается пустым.

Рис. 3

Но если есть экран не на все желания, а только на желания отдавать, а на желания получать экрана нет, то экран должен стоять не в Пэ дэ-Рош, а посреди Бины, потому что, начиная с ЗАТ Бины, со второй половины Бины, на ЗА и на Малхут уже будет ограничение на получение света. Значит, часть головы, называемая АХАП, уже не будет участвовать в работе, я этими желаниями пользоваться не буду. Пэ, где будет стоять экран, поднялось в середину Бины, то есть я буду делать зивуг дэ-акаа только на ГЭ, а на АХАП – нет.

Соответственно этому и в Тох у меня заполнятся только келим до Бины, а АХАП дэ-Тох не заполнится, будет пустой. То же самое и в Соф: я заполнюсь только до половины Бины (ГЭ). Что касается АХАП дэ-Соф, – если я не использую его в Тох, почему он тогда должен быть здесь? Скоро мы дойдем до этого.

Получается, что в ЦБ я использую часть ГЭ в голове, ГЭ в Тох и ГЭ в Соф. Все. АХАПы вообще выпадают, они как бы существуют сбоку. Это то, что хочет сказать Бааль Сулам: что десять сфирот теперь поднимаются от Никвэй Эйнаим, и ниже, сразу же под ними образуется Гуф. То есть, если Пэ сейчас находится в середине Бины, тогда то, что ниже Пэ, называется уже Тох=Гуф, Гуф парцуфа.

Но как же это может быть, ведь в АХАП дэ-Рош – головные сфирот: Озен, Хотэм, Пэ (уши, нос, рот)? Как же может быть, чтобы эти сфирот вдруг оказались в Тох – в Гуфе парцуфа, ведь Гуф парцуфа – это совсем другие келим?

На самом деле такого быть не может. Что же происходит? А происходит следующее: сфирот АХАПа головы как бы входят внутрь ГЭ Тоха (туловища), а АХАП Тоха, в свою очередь, входит в ГЭ Соф.

То есть происходит так, что эти незаполненные АХАПы (дэ-Рош), которыми мы не пользуемся, как бы падают внутрь Тох, незаполненный АХАП Тоха падает внутрь Соф. Парцуф сокращается, становится маленьким по размеру, и называется «Катнут» (от слова «катан» – малый, маленький). Так можно сказать о человеке, о чем угодно, что имеет небольшие размеры. Если парцуф получает дополнительный экран и имеет возможность вернуться в прошлое состояние, когда масах будет находиться в Пэ, это увеличение с меньшего на большее состояние называется «Гадлут» (от слова «гадоль» – большой).

Эти десять сфирот, которые возникли в результате зивуга дэ-акаа, произошедшего в Никвэй Эйнаим дэ-САГ…

При чем тут Никвэй Эйнаим дэ-САГ? Бааль Сулам хочет сказать, что после того, как произошел ЦБ, свет от САГа спустился вниз, перемешался с Гальгальтой, сократился и продолжает свой путь к Пэ дэ-САГ. То есть пришел по Таамим через Тох дэ-САГ, спустился вниз, сократился и ушел обратно. Это то, что с ним произошло. Он приходит в Пэ дэ-САГ с решимот 2/1+ЦБ. ЦБ – это значит, что можно сделать зивуг только на решимот 2/1, потому что в САГ было решимо 3/2 (2/1), но чтобы участвовали в зивуге только келим дэ-ашпаа – ХАБАД, ХАГАТ, не более того.

Согласно этому происходит зивуг в Рош дэ-САГ, там, где есть Никвэй Эйнаим дэ-Рош – это посредине Бины. Место, где в Бине стоит экран, называется Никвэй Эйнаим. Никвэй – от слова «некев» (отверстие), от этого слова происходит также слово «нуква» – женский род, и «эйнаим» – это глаза. Никвэй Эйнаим – это отверстия в глазах, в которых проявляется способность видеть, получать свет.

Итак, экран сейчас стоит в НЭ, и, начиная отсюда, делает зивуг только на келим Кэтэр, Хохма и половину Бины. Вторая половина Бины, ЗА и Малхут, находятся под экраном, стоящим в Никвэй Эйнаим. То есть вверху, над НЭ находится ГЭ, внизу, под НЭ находится АХАП, и экран 2/1, стоящий в НЭ, делает зивуг.

После зивуга на 2/1, свет пошел вниз, под Табур, откуда поднялись решимот, и в этом месте, под Табуром, начинает распространяться парцуф на решимот 2/1 «мецумцам» (на решимо 2/1 ЦБ), и только до того места, до которого можно – до Парсы. Парса – это место разделения между келим дэ-ашпаа, отдающими келим, и получающими келим: там, где может распространяться свет, и там, где ему нельзя распространяться.

Вообще, Парсой в нашем мире называется рассечение на копыте животного, например, раздвоенное копыто коровы, в отличие от цельного копыта лошади. Это является признаком кошерности животных, то есть у животных, имеющих духовный корень в ГЭ, есть Парса. Кроме этого, есть еще один признак кошерности животных, называемый «маале гера». В соответствии с этим признаком, у кошерных животных пищеварительный цикл – замкнутый, то есть происходит вторичное, третичное перерабатывание пищи, как у коровы, которая все время жует. Эти два признака являются признаками животных, у которых духовный корень находится в ГЭ.

Есть такие животные, у которых духовный корень находится и в ГЭ, и в АХАП, например, свинья. У нее есть Парса, то есть по этому признаку она является кошерной, а по признаку маале гера она некошерная. Есть животные, некошерные по обоим признакам.

Таким образом, мы уже можем видеть следствия в нашем мире. То же самое можно сказать и о растениях, у которых корень может быть или из келим дэ-ашпаа, или из келим дэ-каббала, и так далее, до неживых. После того как все келим, все духовные корни исправляются, их ветви в нашем мире также становятся исходящими из чистого, кошерного корня. Так и сказано, что свинья в будущем станет кошерным животным: намек на то, что все корни приходят к своему исправлению.

Эти десять сфирот, которые возникли в результате зивуга дэ-акаа, произошедшего в Никвэй-Эйнаим дэ-САГ, называются десять сфирот мира Некудим, которые спустились вниз от Никвэй Эйнаим и заняли свое место под Табуром мира АК. Там они разделились на Рош и Гуф.

Делятся таким образом: первая Рош называется Кэтэр, вторая Рош называется АВИ, и их Гуф, который называется ЗОН – ЗА и Нуква. У нас всегда было две Рошим – и в АБ, и в Гальгальте, и в САГе.

Рис. 4

Есть Рош дэ-итлабшут, Рош дэ-авиют и Гуф, так как с предыдущего состояния к нам всегда приходят различные решимот.

Рассмотрим решимо 2/1, на которое вышел Олам Никудим. В нем решимо 2 – от света, и решимо 1 – от оставшегося, от наличествующего экрана. Сначала мы включаем экран в свет, и от этого получается Рош дэ-итлабшут. «Итлабшут» – от слова «одевание», то есть говорится о том, как свет одевается в кли. Цифра два из решимо 2/1 характеризует эту Рош. Вторая Рош, Рош дэ-авиют представляет собой расчет только на единицу из решимо 2/1 – на авиют. Пэ здесь – общий, и поскольку в Рош дэ-авиют стоит экран и делает зивуг дэ-акаа, то из этой головы идет распространение в Гуф.

Рис. 5

Рош дэ-итлабшут в этом зивуге дэ-акаа участия не принимает. Для чего же она вообще существует? Подсветка от двойки проходит вниз, через Пэ в Гуф, и тоже немного подсвечивает в теле. Хотя зивуг произошел только на единицу, то есть имеется только Ор Руах, но от двойки есть Ор Нешама. Следовательно, в Гуф парцуфа есть Ор Руах, получаемый сверху вниз в наши келим, которые мы привлекаем, то есть силой притягиваем к себе с помощью экрана, реально, действием наполняемся, а внутри этого есть подсветка со светом Нешама. И это придает нашим ощущениям внутри тела ощущение будущего, более высокого состояния, чем то, в котором мы находимся. Поэтому и называется Рош дэ-итлабшут, то есть то, на что еще можно одеться.

Рис. 6

Место, ниже которого Ор Хохма теперь не может распространиться, называется Парсой. Мир Некудим называется «внешней частью».

Эта часть надевается на Некудот дэ-САГ, которые надеваются на НЕХИМ дэ-Гальгальта. То есть три парцуфа, надевающиеся один на другой.

61) Необходимо понять, что так как 10 сфирот мира Некудим вышли из Никвэй Эйнаим головы САГ, то они должны одеть САГ от Пэ головы и ниже по тому же принципу, как выходили прежние парцуфим – каждый низший одевается на верхний от Пэ головы и вниз.

Мы знаем, что любой парцуф, который выходит, делает зивуг дэ-акаа, и этим рождает себя, наполняет себя. Затем от «битуш пним у макиф» он миздахех, возвращается в свое прежнее положение, но уже с решимот меньшими, чем у него были раньше, поэтому с этими решимот он спускается на уровень ниже, где делает зивуг дэ-акаа, и так происходит следующий парцуф. Итак, каждый следующий парцуф всегда идет от Пэ предыдущего и ниже, то есть начинается на голову ниже предыдущего.

Возникает вопрос: почему парцуф, который вышел из головы САГа, не начинается там, откуда он должен распространиться – от своего Пэ? В Никвэй Эйнаим стоит его экран, значит, начиная отсюда и ниже должен распространиться парцуф Некудим. Почему он распространяется под Табур?

Почему же они спустились ниже и оделись ниже Табура дэ-АК? Чтобы понять это, необходимо знать, как произошло взаимодействие Бины и Малхут, приведшее к тому, что они соединились в одно целое.

Бааль Сулам многое будет здесь объяснять, но я хочу заранее ответить на этот вопрос. Парцуф никогда не может распространиться произвольно, даже если он рождается от высшего парцуфа. Он взял свои решимот с какого-то другого места, на этом месте он ощутил себя в каком-то желании, значит, в это место он приходит и наполняет его.

Это необходимое условие распространения парцуфим, потому что если бы парцуф Некудот дэ-САГ был в другом месте, у него бы возникли совершенно другие желания. Местом называется внутренний парцуф относительно последующего. Поэтому, если бы Некудот дэ-САГ распространились где-нибудь в другом месте, в другой конфигурации, не одеваясь полностью на НЕХИМ дэ-Гальгальта, то не произошло бы обмена авиютами, и они не сократились бы таким образом, чтобы поднять именно эти решимот.

Все определяется местом, и САГ спустился сюда, для того чтобы наполнить это место. Поэтому и далее эти решимот желают наполнить это место, и сюда они всегда должны возвращаться – это с одной стороны. С другой стороны, если бы эти решимот проходили от парцуфа к парцуфу без того, чтобы парцуф вдруг спускался в другое место, желая наполнить его, то тогда бы, естественно, каждый парцуф выходил из Пэ предыдущего парцуфа и так далее, то есть каждый парцуф был бы на голову ниже предыдущего.

Рис. 7

На наших чертежах и на чертежах Бааль Сулама в «Сефер а-Илан» («Книга Древа») все парцуфим рисуются как выходящие – низший из Пэ высшего, и каждый последующий на голову ниже предыдущего. Почему это так происходит, он сейчас объяснит. В принципе, я уже сказал решение, но есть и другие объяснения.

62) Дело в том, что когда вышел парцуф дэ-САГ, он весь закончился выше Табура Гальгальты по тому же принципу, как и АБ, потому что он не мог спуститься под Табур и ниже, где властвует бхина Далет Гальгальты в виде 10 сфирот дэ-Сиюм (Соф – Сиюм). А в парцуфим АБ и САГ нет ничего общего с бхиной Далет (поэтому они не могут спускаться вниз, под Табур).

Но когда начали выходить Некудот дэ-САГ после ослабления масаха от Бет дэ-авиют и Гимэл дэ-итлабшут до Алеф дэ-авиют и Бет дэ-итлабшут (когда масах начал выходить из 3/2 к 2/1 решимот) и исчезли Таамим дэ-САГ (в которых была тройка, Ор Хохма), тогда вышел уровень некудот ВАК, то есть ЗА, в котором не хватает трех первых сфирот, то есть, нет Ор Хохма, а только Ор Хасадим. Поскольку здесь нет Ор Хохма, то можно спуститься и вниз, в Малхут.

Это состояние полностью соответствует свойству десяти сфирот дэ-Сиюм ниже Табура… То есть, когда освобождаются от Ор Хохма, то получается 2/2. 2/2 – это свойство чистой Бины, которая ничего не желает получать, так же, как и сфирот дэ-Сиюм, и хотя это келим дэ-каббала, но они ничего не желают получать, потому что знают, что у них нет экрана.

Нежелание получать в свойстве Некудот дэ-САГ и нежелание получать в НЕХИМ дэ-Гальгальта привело к тому, что, поскольку Некудот дэ-САГ подобна НЕХИМ дэ-Гальгальта, они сливаются, соединяются вместе. Поэтому Некудот дэ-САГ могут распространиться внизу, в НЕХИМ дэ-Гальгальта, и начать восполнять, дополнять НЕХИМ дэ-Гальгальта, сливаться с ними, как два подобия в духовном – где бы они ни находились, они равноценны и равны, близки и подобны, они существуют как бы в одном объеме.

Это состояние полностью соответствует свойству десяти сфирот дэ-Сиюм ниже Табура (то есть состояние Некудот дэ-САГ соответствует состоянию НЕХИМ дэ-Гальгальта), которые тоже находятся в состоянии ВАК.

Рис. 8

ВАК – то есть желают только Ор Хасадим. Почему? В десяти сфирот Кэтэр, Хохма, Бина, Хэсэд, Гвура, Тифэрэт, Нэцах, Ход, Есод, Малхут КАХАБ – это Гальгальта, ХАГАТ – это Эйнаим, ниже Тифэрэт есть Озен, НЕХИ – это Хотэм, и Малхут – это Пэ. КАХАБ, ХАГАТ – шесть сфирот, НЕХИМ – четыре сфиры. Когда существуют только эти шесть сфирот – это называются ВАК. В слове ВАК буква вав – это шесть, а куф происходит от слова «кцавот». Кцавот – это как бы конечности, стороны. Поэтому в нашем мире есть всего лишь шесть кцавот: верх – низ, направо – налево и вперед – назад, шесть частей. Мы находимся в шести координатах, или в трех, но в разные стороны – это шесть.

Значит, когда есть только Ор хасадим, он называется ВАК. Это то, о чем пишет здесь Бааль Сулам.

Рис. 9

Поэтому спустились Некудот дэ-САГ под Табур (поскольку они – ВАК, Ор Хасадим, то слились со светом ВАК, который находится в НЕХИМ дэ-Гальгальта) и смешались там с ЗОН дэ-АК в одно целое.

63) Однако, нужно понять, что между Некудот дэ-САГ и НЕХИМ дэ-Гальгальта все же существует ощутимая разница. То есть, хотя в них обоих есть свет ВАК, Ор Хасадим, но разница между ними все же существует, потому что это абсолютно разные келим. В Некудот дэ-САГ есть бхина Бет дэ-авиют и нет ничего общего с бхиной Далет, которая ниже Табура (авиют два – это чистая Бина, а авиют четыре (или три) – это Малхут, келим дэ-каббала), хотя оба они находятся на уровне ВАК, но с разной степенью авиюта. То есть ни одна из них не желает ничего получать – и та и другая отталкивает свет.

Но ведь внутри они все равно разные, почему же в таком случае парцуфим могут сливаться?

Дело в том, что авиют совершенно не проявляется в парцуфе, когда он заполнен светом, который подавляет сосуд, желание. Поэтому большой сосуд, в котором в итоге его огромного желания, огромной работы получается свет Хасадим определенного свойства, стиля, может соединиться с другим – маленьким сосудом, маленькой душой с маленькими желаниями, но подобной большому, – в этом и заключается эффект слияния. Поэтому мы можем сливаться с Творцом. Разве мы можем уподобиться Ему по мощи, по мощности? Мы уподобляемся по стремлению, и поэтому вливаемся в Него, сливаемся с Ним.

То же самое и здесь. Дело в том, что авиют совершенно не проявляется в парцуфе, когда он заполнен светом, который подавляет сосуд, желание. Поскольку свет наполняет, удовлетворяет, то поэтому он и властвует, и подавляет желание. Но после выхода света из парцуфа в нем проявляется необходимый авиют, дающий возможность Некудот дэ-САГ спуститься вниз под Табур и смешаться с НЕХИМ дэ-Гальгальта. Это способствовало ЦБ и образованию нового Сиюма в месте Бина дэ-Гуф парцуфа. Изменилось также место зивуга – Малхут переместилась из Пэ дэ-Рош в Никвэй Эйнаим.

Что он хочет сказать? Когда парцуф Некудот дэ-САГ спускался вниз, в нем был только Ор Хасадим, которым он подействовал на НЕХИМ дэ-Гальгальта, и в этом они были абсолютно равны и сливались вместе. Но как только здесь возник диссонанс оттого, что в Гальгальте – авиют 4, а в Некудот дэ-САГ – авиют 2, и один на другой начали действовать своим авиютом, тогда и возникли между ними уже совершенно другие трения, проявилась разница во внутренних келим, несмотря на общий изначальный свет, и произошел Цимцум.

Произошло уравновешивание между этими парцуфим, исключились келим дэ-каббала из парцуфа Некудот дэ-САГ, и тогда КАХАБ, ХАГАТ парцуфа Некудот дэ-САГ и соф Гальгальты снова пришли к равновесию, к слиянию между собой, если не учитывать НЕХИМ дэ-Некудот дэ-САГ, который сократился. Все пришло к равновесию. Тем временем, процесс пошел дальше, и образовался мир Некудим.

Таким образом, Бааль Сулам объяснил, почему Некудот дэ-САГ могут спуститься вниз и заполнить Малхут, несмотря на то, что они с ней абсолютно разные: в Некудот дэ-Саг авиют 2, а в Малхут – 4; и почему затем Малхут проявляет себя как четверка по отношению к двойке Некудот дэ-САГ и воздействует на нее, вызывая этим повышенные желания в АХАП дэ-Некудот дэ-САГ, ЦБ и так далее. То есть проявление, с одной стороны, подобия, несмотря на авиют, с другой стороны, авиюта, несмотря на общий свет, и играет здесь такую роль.

64) Получается, что источник совместного действия Малхут и Бины, который называется ЦБ, проявился только ниже Табура мира АК при распространении туда парцуфа Некудот дэ-САГ. Поэтому десять сфирот мира Некудим, вышедшие по законам ЦБ, не могли распространиться выше Табура мира АК, так как ничто не может проявиться выше своего источника, корня. И поскольку ЦБ властвует от Табура и ниже, мир Некудим был вынужден распространиться там же.

Бааль Сулам здесь отвечает на вопрос, который мы уже рассмотрели. Произошло смешение, ЦБ. Решимот 2/1 ЦБ поднялись вверх, потребовали, чтобы на них был сделан зивуг дэ-акаа, поэтому все должно спуститься. Бааль Сулам отвечает так: «Парцуф никогда не может распространиться выше того места, где он родился. Где родились решимот, туда он обязан спуститься».

С одной стороны, наполнение всегда должно быть на том месте, где возникли решимот, с другой стороны, парцуф никогда не может возникнуть, распространиться выше того места, откуда были его решимот. Выше того места, где ты зародился, – выше своего родителя – ты никогда не можешь быть. Это то, что говорит Бааль Сулам.

Рис. 10

Еще раз повторю, что все кадры, все мои выступления существуют. Подключайтесь к определенному кадру в духовном мире, вынимайте его из духовного архива: вы можете им жить и получать от него так же, как непосредственно от меня. Это только ваша, чисто психологическая, проблема.

Надеюсь, вы понимаете, что взаимной поддержкой друг друга, я бы даже сказал, взаимным отслеживанием друг друга – не упал ли товарищ, не случилось ли с ним что-то плохое, не ослаб ли в дороге, когда надо его поддержать, каким-то образом подтянуть, – вы создаете ту общую силу, которая называется «арэвут», гарантия.

Если мы не создадим общую силу, называемую взаимопоручительство, которая будет нас взаимно поддерживать, мы не пройдем в Высший мир. Эта сила – духовная, мы должны непрерывно питать ее. Она должна держать и вести всех нас в правильном направлении, ежесекундно она должна нас тянуть в это. Человек изнутри себя, индивидуально, не может сделать ни одного миллиметра к цели творения. Только если он вложил в эту общую силу, гарантирующую ему продвижение, – соответственно его вкладу он продвигается. Духовное построено на других принципах – не на эгоистических: вы должны вкладывать во вне себя, тогда то, что «вне вас» подтянет вас туда.

Поэтому мы должны быть в связи друг с другом. Мировое кли – это залог нашего продвижения. Ни один из нас не проскочит махсом, если мы не создадим такой общности между собой. Давайте стремиться к этому!

Видео / Аудиозапись урока >>

Все уроки Курса Виртуального Обучения 2002-2004 гг. >>

наверх
Site location tree